
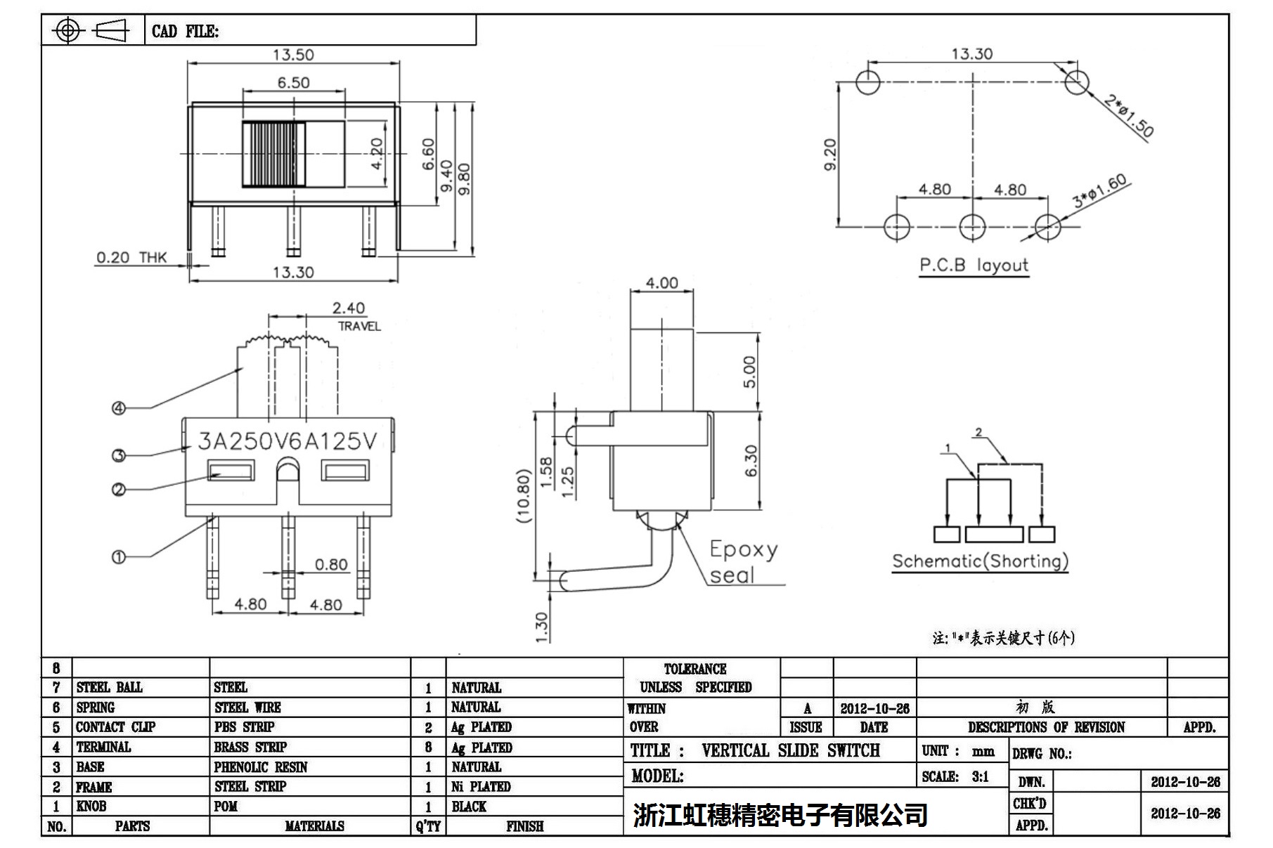
大電流撥動開關技術參數:
1. 額定負荷: AC 125V 250V 1A 3A 5A 2. 接觸阻抗: ≤50mΩ
3. 絕緣阻抗: ≥100mΩ DC500V 4. 耐焊溫度: 250±5°5s
5. 使用壽命: 10,000 cycles 6. 使用溫度: -25 ℃ to 80 ℃
7. 使用濕度: ≤85% RH 8. 操作力 : 160gf
應用:汽車電器、工控設備、數碼產品、安防、電腦、通訊產品、家用電器、智能交通等。
Technical parameters of high current slide switch:
1. Rated load: AC 125V 250V 1A 3A 5A
2. Contact impedance: ≤50mΩ
3. Insulation resistance: ≥100mΩ DC500V
4. Soldering resistance temperature: 250±5°5s
5. Service life: 10,000 cycles
6. Operating temperature: -25 ℃ to 80 ℃
7. Operating humidity: ≤85% RH
8. Operating force: 160gf
Application: automotive electrical appliances, industrial control equipment, digital products, security, computers, communication products, household appliances, intelligent transportation, etc.